Amplifiers with Negative Feedback Articles:
Voltage Series Negative Feedback Amplifier: In a negative feedback amplifier, a small portion of the output voltage is fed back to the input. When the feedback voltage is applied in series with the signal voltage, the arrangement is Voltage Series Negative … (Read More)
Two Stage CE Amplifier using Series Voltage Negative Feedback: Negative Feedback Amplifier Circuit – A two-stage, capacitor-coupled BJT amplifier is shown in Fig. 13Â-10. This is the same Two Stage CE Amplifier circuit discussed already with the addition of feedback components … (Read More)
Two Stage Direct Coupled BJT Amplifier Circuit: The Two Stage Direct Coupled BJT Amplifier Circuit in Fig. 13-17 is reproduced from Fig. 12-22, and modified to include feedback components RF1 and RF2. Other direct-coupled circuits can be converted into negative feedback amplifiers by … (Read More)
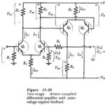
Two Stage Differential Amplifier with Negative Feedback: The circuit shown in Fig. 13-20 has a Two Stage Differential Amplifier with Negative Feedback with npn BJTs, and a direct-coupled pnp transistor differential amplifier second stage. The circuit uses a plus/minus supply voltage, … (Read More)
Emitter Current Feedback Circuit: Emitter Current Feedback Circuit is produced by connecting an unbypassed resistor in series with the emitter terminal of a transistor, as shown in Fig. 13-24(a). The effects of an unbypassed emitter resistor in a CE circuit have … (Read More)
Parallel Current Negative Feedback Circuit: Current Feedback Circuit – In series-voltage feedback, a portion of the output voltage is fed back in series with the signal source. In Parallel Current Negative Feedback Circuit, a portion of the output current is fed … (Read More)
Effects of Negative Feedback in Amplifiers: Decibels of Feedback – Effects of Negative Feedback in Amplifiers can be measured in decibels. A statement that 40 dB of feedback has been applied to an amplifier means that the amplifier gain has been … (Read More)






